고객센터

고객센터에 궁금한 점이 있으시면
언제든지 문의주세요!
FAQ(자주 묻는 질문)
전체 22
#기타
▶주요 인증별 적용 대상
- KC 인증 (한국) : 전기용품, 생활용품, 어린이 제품 등 (국내 안전관리 대상 품목에 한해 적용)
-
CE 인증 (유럽) : 기계, 전기·전자 제품, 산업용 장비 등 (EU 지침 적용 제품 대상)
-
UL 인증 (미국) : 전기·전자 제품 및 산업용 장비 (안전 인증 요구 제품)
-
CCC 인증 (중국) : 전기·전자 제품, 자동차 부품, 완구 등 (중국 강제 인증 대상 품목)

성일기공에서 판매하는 기계요소 부품은 일반적으로 전기·전자 완제품이 아닙니다.
따라서 위 인증 대상에 해당되지 않습니다.
장비에 조립된 완제품 형태로 수출되는 경우, '해당 장비 기준'으로 인증이 요구될 수 있습니다.
도움이 되었나요?
#커플링
▶볼트 재질에 따른 커플링의 허용 토크
▶슬립 토크가 저하되는 이유

※예외
체결 볼트를 무전해 니켈 도금 볼트나 SUS 볼트로 변경해도 커플링의 허용 토크 자체는 변하지 않습니다.
다만, 슬립 토크(체결력)는 낮아질 수 있습니다.
- 허용 토크
- 커플링 본체가 구조적으로 버틸 수 있는 토크
- 커플링의 구조와 설계 기준에 의해 결정 (볼트 재질이 바뀌어도 기본 허용 토크는 동일)
- 슬립 토크
- 체결된 상태에서 축이 미끄러지기 시작하는 토크
- 볼트 체결력(조임 힘)에 직접적인 영향
▶슬립 토크가 저하되는 이유

무전해 니켈 도금 볼트나 SUS 볼트는 일반적인 SCM 볼트 대비 표면 마찰이 큰 편입니다.
마찰이 커지면 같은 힘으로 조여도 실제 축을 눌러주는 힘이 줄어들 수 있고,
그 결과 슬립 토크가 낮아질 가능성이 있습니다.
※예외
SCD Series는 내경 치수별 체결력에 따라 허용 토크가 결정되므로,
체결 볼트를 변경할 시 허용 토크 값도 변동될 수 있습니다.
도움이 되었나요?
#커플링
Q. 체결토크와 탄성범위

* 탄성범위: 체결 후 힘이 제거되면 볼트가 원래 상태로 돌아오는 범위
* 소성범위: 체결 후에도 변형이 남아 원래 상태로 돌아가지 않는 범위
Q. 탄성범위를 벗어나면?
Q. 안정하게 체결하려면?

* 탄성범위: 체결 후 힘이 제거되면 볼트가 원래 상태로 돌아오는 범위
* 소성범위: 체결 후에도 변형이 남아 원래 상태로 돌아가지 않는 범위
볼트는 반드시 탄성범위 내에서만 사용해야 하며,
소성범위까지 변형되면 체결력이 장기간 유지되지 못하고,
볼트 파손이나 풀림 등의 문제가 발생할 수 있습니다.
Q. 탄성범위를 벗어나면?
소성범위까지 토크를 가하면, 그래프상 인장강도 지점에서 응력이 가장 크게 나타납니다.
- 하지만, 이미 탄성을 잃은 상태이므로 시간이 지나면서 체결력이 점점 떨어집니다.
- 변형이 많아 피로 수명이 극도로 낮아지고, 볼트가 쉽게 파손될 수 있습니다.
- 파손되지 않아도 재사용은 불가합니다.
즉, 단기적인 체결력만 강할 뿐 장기적인 안정성은 확보되지 않습니다.
Q. 안정하게 체결하려면?
(볼트가 탄성범위를 벗어나지 않도록 정확하게 관리)
※정확한 토크 관리가 되지 않으면 초기에는 정상 체결된 것처럼 보여도
탄성을 벗어난 볼트는 파손, 풀림, 장력 소실 등의 문제를 야기할 수 있습니다.
도움이 되었나요?
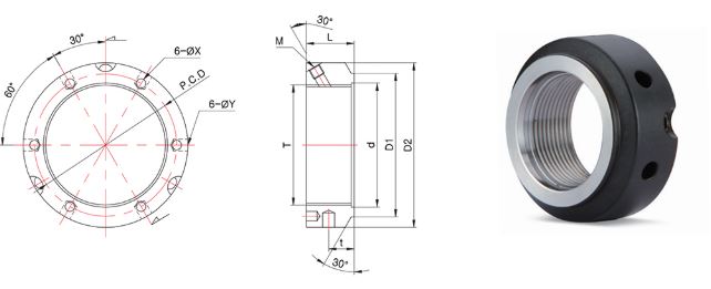
#서포트유니트
일반 하중용 로크너트(RN Series)와 고하중용 로크너트(HLRN Series)는 나사산 규격이 동일하므로
호환하여 사용 가능합니다.
Q. 일반 하중용 로크너트 vs 고하중용 로크너트
*일반 하중용 로크너트(RN Series)

일반 하중용 로크너트는 세트피스를 수직 방향으로 눌러 고정하므로
고하중용 로크너트에 비해 접촉 면적이 상대적으로 좁습니다.
*고하중용 로크너트(HLRN Series)


고하중용 로크너트는 세트피스를 사선 방향으로 눌러 고정하므로접촉 면적이 넓어 마찰력이 증가하고, 그에 따라 고정력이 강화되는 장점이 있습니다.
또한, 일반 하중용 로크너트에 비해 세트피스 개수가 더 많아 고정력이 더욱 강화되었습니다.
단, 고하중용 로크너트는 일반 스패너로는 체결 불가능하며,
반드시 훅 스패너를 사용해야 하므로 공구 사용에 제약이 있습니다.
Q. 로크너트 호환 시 주의 사항
* 일반 하중용 서포트 유니트를 사용 중 로크너트 풀림이 발생한다면,
고하중용 로크너트로 변경하는 것이 도움이 될 수 있습니다.
* 반대로, 부득이한 사정으로 고하중용 서포트 유니트에 일반 하중용 로크너트를 사용해야 하는 경우,
호환은 가능하지만 체결력이 다소 약해질 수 있으며, 이에 따른 문제 발생 가능성은 감수해야 합니다.
호환하여 사용 가능합니다.
Q. 일반 하중용 로크너트 vs 고하중용 로크너트
*일반 하중용 로크너트(RN Series)

일반 하중용 로크너트는 세트피스를 수직 방향으로 눌러 고정하므로
고하중용 로크너트에 비해 접촉 면적이 상대적으로 좁습니다.
*고하중용 로크너트(HLRN Series)


고하중용 로크너트는 세트피스를 사선 방향으로 눌러 고정하므로접촉 면적이 넓어 마찰력이 증가하고, 그에 따라 고정력이 강화되는 장점이 있습니다.
또한, 일반 하중용 로크너트에 비해 세트피스 개수가 더 많아 고정력이 더욱 강화되었습니다.
단, 고하중용 로크너트는 일반 스패너로는 체결 불가능하며,
반드시 훅 스패너를 사용해야 하므로 공구 사용에 제약이 있습니다.
Q. 로크너트 호환 시 주의 사항
* 일반 하중용 서포트 유니트를 사용 중 로크너트 풀림이 발생한다면,
고하중용 로크너트로 변경하는 것이 도움이 될 수 있습니다.
* 반대로, 부득이한 사정으로 고하중용 서포트 유니트에 일반 하중용 로크너트를 사용해야 하는 경우,
호환은 가능하지만 체결력이 다소 약해질 수 있으며, 이에 따른 문제 발생 가능성은 감수해야 합니다.
도움이 되었나요?
#기타
Q. 슬립토크란?
1. 커플링의 내경과 축의 외경 사이에서 미끄러짐이 발생할 때의 토크 값을 의미합니다.
2. 체결 볼트를 조이면 커플링의 내경이 축을 고정하게 되는데,
이때 커플링의 축 체결력보다 강한 토크가 가해지면 미끄러짐이 발생합니다.
이 미끄러짐이 일어나는 순간의 토크 값을 슬립토크라고 정의합니다.
Q. 허용토크 vs 슬립토크
제품 선정 시에는 커플링의 허용토크를 기준으로 검토하는 것이 옳습니다.
다만, 모터의 토크는 커플링의 허용토크와 슬립토크를 모두 고려하는 것이 가장 이상적입니다.
Q. 슬립 발생 가능성 줄이는 법
슬립토크가 허용토크보다 낮을 경우, 키(Key)를 적용하여 슬립 발생 가능성을 줄일 수 있습니다.
단, 키 홈 가공 시, 원형 내경 대비 축 체결력이 낮아질 수 있습니다.
Q. 슬립토크 표 보는 법

커플링의 슬립토크 표는 허용토크보다 슬립토크가 낮은 경우에만 기재되어 있습니다.
예를 들어 상기 표에서, SDS-90C 제품의 허용토크는 180Nm이며,
내경 28mm 이상부터는 슬립토크가 허용토크를 상회하기 때문에 별도로 표기하지 않습니다.
1. 커플링의 내경과 축의 외경 사이에서 미끄러짐이 발생할 때의 토크 값을 의미합니다.
2. 체결 볼트를 조이면 커플링의 내경이 축을 고정하게 되는데,
이때 커플링의 축 체결력보다 강한 토크가 가해지면 미끄러짐이 발생합니다.
이 미끄러짐이 일어나는 순간의 토크 값을 슬립토크라고 정의합니다.
Q. 허용토크 vs 슬립토크
제품 선정 시에는 커플링의 허용토크를 기준으로 검토하는 것이 옳습니다.
다만, 모터의 토크는 커플링의 허용토크와 슬립토크를 모두 고려하는 것이 가장 이상적입니다.
Q. 슬립 발생 가능성 줄이는 법
슬립토크가 허용토크보다 낮을 경우, 키(Key)를 적용하여 슬립 발생 가능성을 줄일 수 있습니다.
단, 키 홈 가공 시, 원형 내경 대비 축 체결력이 낮아질 수 있습니다.
Q. 슬립토크 표 보는 법

커플링의 슬립토크 표는 허용토크보다 슬립토크가 낮은 경우에만 기재되어 있습니다.
예를 들어 상기 표에서, SDS-90C 제품의 허용토크는 180Nm이며,
내경 28mm 이상부터는 슬립토크가 허용토크를 상회하기 때문에 별도로 표기하지 않습니다.
도움이 되었나요?
#기타
비틀림 강성이란 단위 각도(1라디안, 1rad)를 비트는데 있어 필요한 토크 값을 의미합니다.
토크가 가해졌을 때 커플링이 얼마나 비틀리는 지에 대한 값이며, 이 값이 커플링의 내구성을 나타내지는 않습니다.
*라디안(rad): 원 둘레 위에서 반지름의 길이와 같은 길이를 갖는 호에 대응하는 중심각의 크기
[예시] 유리 막대 VS 우레탄
● 비틀림 강성 : 유리 막대 > 우레탄 막대
● 반응성 : 유리 막대 > 우레탄 막대
같은 길이의 양쪽 끝을 잡고 비틀었을 때 유리 막대는 눈에 띄는 비틀림 없이 반대쪽 손으로 전달되나,
우레탄 막대는 육안상 확인 가능할 정도로 비틀린 후에 반대쪽 손으로 전달됨
● 내구성 : 유리 막대 < 우레탄 막대
비트는 힘을 더욱 강하게 했을 때 먼저 파손되는 것은 유리 막대
토크가 가해졌을 때 커플링이 얼마나 비틀리는 지에 대한 값이며, 이 값이 커플링의 내구성을 나타내지는 않습니다.
*라디안(rad): 원 둘레 위에서 반지름의 길이와 같은 길이를 갖는 호에 대응하는 중심각의 크기
[예시] 유리 막대 VS 우레탄
● 비틀림 강성 : 유리 막대 > 우레탄 막대
● 반응성 : 유리 막대 > 우레탄 막대
같은 길이의 양쪽 끝을 잡고 비틀었을 때 유리 막대는 눈에 띄는 비틀림 없이 반대쪽 손으로 전달되나,
우레탄 막대는 육안상 확인 가능할 정도로 비틀린 후에 반대쪽 손으로 전달됨
● 내구성 : 유리 막대 < 우레탄 막대
비트는 힘을 더욱 강하게 했을 때 먼저 파손되는 것은 유리 막대
도움이 되었나요?
#기타
관성모멘트는 회전에 대한 관성력을 나타내는 값입니다.
즉, 회전하는 물체가 회전을 지속하려고 하는 성질의 크기를 나타낸 것입니다.
제품의 무게가 무거울수록 관성모멘트 값 역시 커지게 되며,
관성모멘트(관성력)가 커진다는 것은 가속/감속 시 필요한 동력이 커짐을 의미합니다.
*관성: 현재의 상태를 유지하려는 성질
즉, 회전하는 물체가 회전을 지속하려고 하는 성질의 크기를 나타낸 것입니다.
제품의 무게가 무거울수록 관성모멘트 값 역시 커지게 되며,
관성모멘트(관성력)가 커진다는 것은 가속/감속 시 필요한 동력이 커짐을 의미합니다.
*관성: 현재의 상태를 유지하려는 성질
도움이 되었나요?
#기타
상용 토크 및 최대 토크는 제품의 내구성을 나타내는 수치이며, 각각의 의미는 아래와 같습니다.
* 상용 토크 : 일반적인 상황(지속 작용)에서 장비 가동 시 커플링이 허용할 수 있는 토크 값
* 최대 토크 : 간헐적, 순간적으로 커플링이 버틸 수 있는 한계 토크 값
상용 값을 넘어선 토크가 커플링에 지속적으로 가해질 경우 커플링의 내구성이 급격히 떨어지게 되므로
가급적 상용 토크를 넘기지 않도록 해 주세요.
* 상용 토크 : 일반적인 상황(지속 작용)에서 장비 가동 시 커플링이 허용할 수 있는 토크 값
* 최대 토크 : 간헐적, 순간적으로 커플링이 버틸 수 있는 한계 토크 값
상용 값을 넘어선 토크가 커플링에 지속적으로 가해질 경우 커플링의 내구성이 급격히 떨어지게 되므로
가급적 상용 토크를 넘기지 않도록 해 주세요.
도움이 되었나요?
#커플링
다른 요소와 간섭이 없는 경우 탭 가공을 추가로 진행할 수 있습니다.
다만, 물리적으로 허용되는 범위 내에서만 가능하며,
탭 크기를 지나치게 확장할 경우 제품의 내구성이 저하될 수 있습니다.
다만, 물리적으로 허용되는 범위 내에서만 가능하며,
탭 크기를 지나치게 확장할 경우 제품의 내구성이 저하될 수 있습니다.
도움이 되었나요?
#커플링
Q. 키 홈 치수 변경
변경 후 치수가 변경 전 치수보다 커질 경우 재가공 가능합니다.
Q. 키 홈 가공 추가
기존 제품에 키 홈 가공을 추가할 수도 있습니다만,
제품별로 가공 가능한 위치가 상이하므로 가능 여부를 확인하시기 바랍니다.
Q. 키 홈 재가공 불가한 경우
[키 홈 치수(가로 폭)는 유지하고 내경 치수만 확장]

내경 치수를 확장하면 키 홈의 깊이(t 치수)가 감소하게 되며,
정상적으로 키를 삽입하기 위해서는 재가공이 필요합니다.
이때, 기존 키 홈과 정확히 동일한 위치에서 t 치수만 확장하는 것은 불가합니다.
※기존의 키 홈과 재가공된 키 홈 사이에 미세한 단차가 생길 수 있음
단, 키 홈 치수만 확장하거나, 키 홈 치수와 내경 치수 모두 확장하는 것은 가능합니다.
변경 후 치수가 변경 전 치수보다 커질 경우 재가공 가능합니다.
Q. 키 홈 가공 추가
기존 제품에 키 홈 가공을 추가할 수도 있습니다만,
제품별로 가공 가능한 위치가 상이하므로 가능 여부를 확인하시기 바랍니다.
Q. 키 홈 재가공 불가한 경우
[키 홈 치수(가로 폭)는 유지하고 내경 치수만 확장]

내경 치수를 확장하면 키 홈의 깊이(t 치수)가 감소하게 되며,
정상적으로 키를 삽입하기 위해서는 재가공이 필요합니다.
이때, 기존 키 홈과 정확히 동일한 위치에서 t 치수만 확장하는 것은 불가합니다.
※기존의 키 홈과 재가공된 키 홈 사이에 미세한 단차가 생길 수 있음
단, 키 홈 치수만 확장하거나, 키 홈 치수와 내경 치수 모두 확장하는 것은 가능합니다.
도움이 되었나요?






