세이프티커플링

커플링과 토크리미터의 특징을 결합하여 동력 전달과
과부하 보호기능을 모두 충족시키는 최적의 솔루션입니다.
STL Series
과부하 보호용 세이프티 커플링 (커플링 타입)
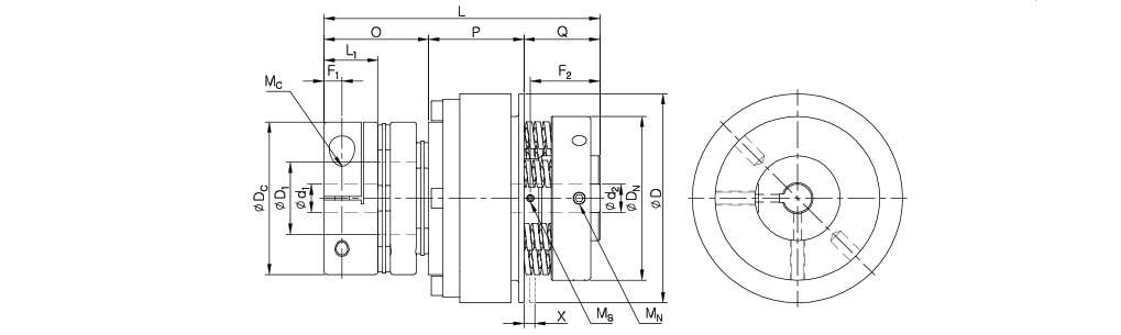
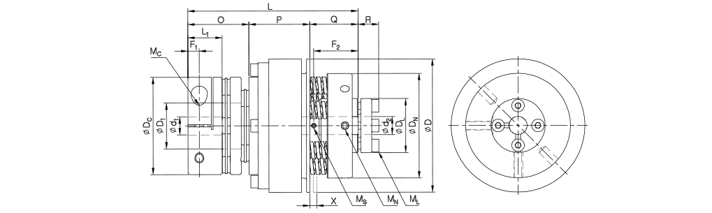
토크리미터 측 표준 타입(세트스크류)

A.P. LOCK Type

규격 및 성능
표준 내경
| 제품 번호 | 표준 내경 (d1, d2) (mm) | |||||||||||||||||||||||
|---|---|---|---|---|---|---|---|---|---|---|---|---|---|---|---|---|---|---|---|---|---|---|---|---|
| 10 | 11 | 12 | 14 | 15 | 16 | 17 | 18 | 19 | 20 | 21 | 22 | 24 | 25 | 28 | 30 | 32 | 35 | 38 | 40 | 42 | 45 | |||
| STL25 | d1 커플링 측 | 표준 | ● | ● | ● | ● | ● | ● | ● | ● | ● | ● | ● | ● | ● | ● | ||||||||
| d2 토크리미터 측 | 표준 | ● | ● | ● | ● | ● | ||||||||||||||||||
| A.P. Lock | ● | ● | ● | |||||||||||||||||||||
| STL55 | d1 커플링 측 | 표준 | ● | ● | ● | ● | ● | ● | ● | ● | ● | ● | ● | ● | ● | ● | ||||||||
| d2 토크리미터 측 | 표준 | ● | ● | ● | ● | ● | ● | ● | ● | ● | ● | ● | ||||||||||||
| A.P. Lock | ● | ● | ● | ● | ● | ● | ● | |||||||||||||||||
| STL150 | d1 커플링 측 | 표준 | ● | ● | ● | ● | ● | ● | ● | ● | ● | ● | ● | ● | ● | |||||||||
| d2 토크리미터 측 | 표준 | ● | ● | ● | ● | ● | ● | ● | ● | ● | ● | ● | ● | ● | ● | |||||||||
| A.P. Lock | ● | ● | ● | ● | ● | ● | ● | ● | ● | ● | ● | ● | ● | |||||||||||
눌림 양에 따른 슬립 토크



주문 방법

① 슬립토크 설정
- 무기재
- 사용자가 직접 슬립토크 세팅
- TS(토크)
- 해당 토크에서 슬립이 발생하도록 출하시 세팅
② 키홈
- 무기호
- 해당 내경 키홈 없음
- K(치수)
- 해당 내경에 기입된 치수 규격의 키홈 가공 (A.P. Lock 방식의 체결 타입에는 키가공이 불가 합니다.)
③ 토크리미터 측 체결 방식
- N
- 일반 Set Screw 타입
- P
- A.P. Lock 타입
※ 토크리미터 측 SET SCREW 체결방식은 원활한 사용을 위해 반드시 키홈 적용이 병행되어야 합니다. 만약 표준 키홈 규격 (Index 페이지 참조) 외 비표준 키홈 사양이 필요하신 경우 고객센터에 문의 바랍니다.
(단, 별도의 사유로 키홈이 없어야 하는 경우 발주 전 반드시 먼저 고객센터에 상담하시어 가능여부 확인 바랍니다.)
※ 제품 특성상 제작이 완료된 제품은 수정 가공이 어려울 수 있습니다.






