A.P. LOCK

面圧を利用して軸とハブ(プーリー、ギア等)を同時に締結する
動力伝達部品です。お客様の多様なニーズに対応するため、規格、
材質、表面処理オプションをご用意しております。

SAPL-Rシリーズ

 

SAPL-Rの構造及び材質
製品番号 本体(内輪 / 外輪)
材質 表面処理
SAPL-R スチール

※ 無電解ニッケルメッキ製品をご要望の際は、お客様センターにお問い合せ下さい。

特徴
  • 相対的に低い締結トルク
  • 高いコストパフォーマンス、ハブ外径にスペース制約がある際に使用
  • 推奨軸公差 : 内径(d)40mm以下…h6、42mm以上…h8
  • 推奨ハブ内径公差 : 内径(d)40mm以下…H7、42mm以上…H8
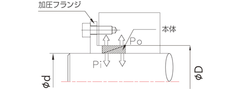
締結原理
注文方法