파워록
(A.P. LOCK)

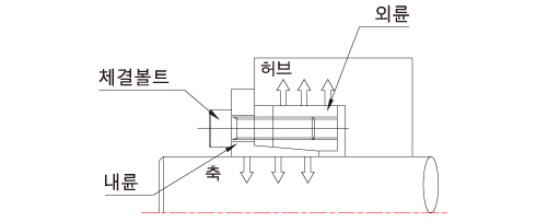
면압을 통해 축과 허브(풀리, 기어등)을 동시에 체결하는 동력전달
부품입니다. 고객의 다양한 Needs를 충족시키기 위한 다양한 규격, 재질,
표면처리 옵션을 보유하고 있습니다.
SAPL-D3 Series

SAPL-D3의 구조 및 재질
| Model | 본체 (내륜/외륜) | 체결볼트 | ||
|---|---|---|---|---|
| 소재 | 표면처리 | 소재 | 표면처리 | |
| SAPL-D3 | STEEL | – | SCM435 | 흑색산화피막 |
※ SAPL-D3 의 무전해 니켈도금 제품이 필요하신 고객님들은 고객센터에 문의 바랍니다.
특징
- 가장 범용으로 사용되는 D1 타입과 내경/외경이 동일해 쉽게 호환 가능 함.
- D1 타입에 비해 체결 볼트 수가 적어 사용이 간편함.
- A.P Lock 의 플랜지 부위가 허브 단면에 접촉되기 때문에 축 방향 이동이 없고 설치가 간편함.
- 셀프 센터링 기능이 있음
- 권장 축 외경 공차 : h8, 권장 허브 내경 공차 : H8
체결 원리

주문 방법








