커플링

구동축의 동력과 모션을 종동축에 전달하는 동시에
비정렬(미스얼라인먼트) 및 기타 장비의 성능 저하요인(진동, 소음, 미세전류 등)을
흡수하는 동력전달 부품입니다.
SJC Series SJC Series(메인)
죠 커플링 
- 제품개요
-
규격/성능/CAD
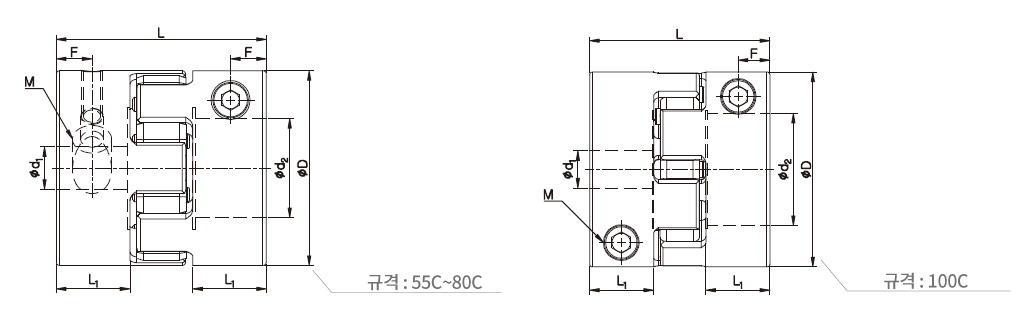
클램프 타입 (공간절약형)


규격 및 성능
- 관성모멘트 및 질량은 제품 번호 별 최대 내경일 때의 값입니다.
- 주변 온도가 30℃ 이상일 때는 온도 보정계수로 상용/최대 토크 값을 보정해 주십시오.
- 최대토크/상용토크는 커플링 자체 내구성과 관련된 값입니다. (축과 내경 구멍 사이에서 발생하는 슬립토크와는 무관합니다.)
표준 내경
| 제품 번호 | 표준 내경 (d1, d2) (mm) | ||||||||||||||||||
|---|---|---|---|---|---|---|---|---|---|---|---|---|---|---|---|---|---|---|---|
| 12 | 14 | 15 | 16 | 18 | 19 | 20 | 22 | 24 | 25 | 26 | 28 | 30 | 32 | 35 | 40 | 45 | 50 | 60 | |
| SJCM-55C | ● | ● | ● | ● | ● | ● | ● | ● | ● | ● | ● | ● | |||||||
| SJCM-65C | ● | ● | ● | ● | ● | ● | ● | ● | ● | ● | ● | ● | ● | ||||||
| SJCM-80C | ● | ● | ● | ● | ● | ● | ● | ● | ● | ● | ● | ● | ● | ● | ● | ||||
| SJCM-100C | ● | ● | ● | ● | ● | ● | ● | ● | ● | ● | ● | ● | ● | ||||||
- 사용 축의 공차는 h7을 추천합니다.
- 비 표준 내경 및 특수 공차 적용이 가능합니다. (별도의 문의를 해주십시오.)
- 키홈 추가 가공이 가능합니다.
- 클램프 분리가 불가능합니다.
축 슬립 토크
- 하기의 표는 해당 커플링의 최대 토크보다 축 슬립 토크가 작은 경우에 실제 전달 가능한 토크 정보를 제공합니다.
- 축 슬립 토크가 커플링의 최대 토크 보다 작은 경우 실제 적용 되는 사용 토크 (모터 사양 및 부하율 확인)와 축 슬립 토크를 비교해 주십시오.
실제 사용 토크보다 축의 슬립토크가 작은 경우 커플링 사이즈를 키우거나, 키를 사용 해야 안전합니다. - 아래 슬립 토크는 시험조건(축의 공차, 조도, 구동축의 가감속 등)에 따라 차이가 있을 수 있습니다. 또한 체결볼트의 사양(재질 혹은 표면처리) 변경에 따라 감소할 수 있으니 사용 전에 반드시 실제 사용조건과 동일한 조건에서 테스트를 하는 것을 권장합니다.
| 형번 | 최대 토크 (N·m) RD기준 |
내경별 Slip 토크 (N·m) | ||||||||||||||||||
|---|---|---|---|---|---|---|---|---|---|---|---|---|---|---|---|---|---|---|---|---|
| 12 | 14 | 15 | 16 | 18 | 19 | 20 | 22 | 24 | 25 | 26 | 28 | 30 | 32 | 35 | 40 | 45 | 50 | 60 | ||
| SJCM-55C | 150 | 40 | 55 | 65 | 75 | 95 | 100 | 110 | 120 | 120 | 120 | 120 | 120 | |||||||
| SJCM-65C | 360 | 55 | 60 | 70 | 75 | 80 | 85 | 94 | 98 | 103 | 110 | 118 | 125 | 130 | ||||||
| SJCM-80C | 760 | 90 | 100 | 110 | 118 | 125 | 130 | 150 | 155 | 160 | 175 | 185 | 200 | 220 | 250 | 280 | ||||
| SJCM-100C | 1200 | 200 | 230 | 260 | 290 | 320 | 360 | 390 | 410 | 435 | 450 | 460 | 480 | 550 | ||||||






