커플링

구동축의 동력과 모션을 종동축에 전달하는 동시에
비정렬(미스얼라인먼트) 및 기타 장비의 성능 저하요인(진동, 소음, 미세전류 등)을
흡수하는 동력전달 부품입니다.
SJC Series SJC Series(메인)
죠 커플링 
- 제품개요
-
규격/성능/CAD
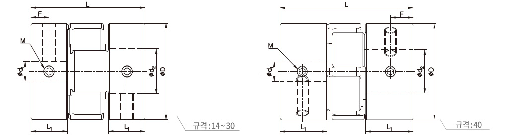
세트스크류 타입


규격 및 성능
- 관성모멘트 및 질량은 제품 번호 별 최대 내경 일 때의 값입니다.
- 주변 온도가 30℃ 이상일 때는 온도 보정계수로 상용/최대 토크 값을 보정해 주십시오.
- 최대토크/상용토크는 커플링 자체 내구성과 관련된 값입니다. (축과 내경 구멍 사이에서 발생하는 슬립토크와는 무관합니다. Set Screw 타입의 경우 체결력이 취약하오니, 키 방식 등을 활용바랍니다.)
표준 내경
| 제품 번호 | 표준 내경 (d1, d2) (mm) | ||||||||||||||||
|---|---|---|---|---|---|---|---|---|---|---|---|---|---|---|---|---|---|
| 3 | 4 | 4.5 | 5 | 6 | 6.35 | 7 | 8 | 9 | 9.525 | 10 | 11 | 12 | 14 | 15 | 16 | 18 | |
| SJC□-14 | ● | ● | ● | ● | |||||||||||||
| SJC□-20 | ● | ● | ● | ● | ● | ● | ● | ||||||||||
| SJC□-25 | ● | ● | ● | ● | ● | ● | ● | ● | |||||||||
| SJC□-30 | ● | ● | ● | ● | ● | ● | ● | ● | ● | ● | |||||||
| SJC□-40 | ● | ● | ● | ● | ● | ● | ● | ● | ● | ● | |||||||
- 사용 축의 공차는 h7을 추천합니다.
- 비 표준 내경 및 특수 공차 적용이 가능합니다. (별도의 문의를 해주십시오.)
- 키홈 추가 가공이 가능합니다.
세트스크류 타입


규격 및 성능
- 관성모멘트 및 질량은 제품 번호 별 최대 내경 일 때의 값입니다.
- 주변 온도가 30℃ 이상일 때는 온도 보정계수로 상용/최대 토크 값을 보정해 주십시오.
- 최대토크/상용토크는 커플링 자체 내구성과 관련된 값입니다. (축과 내경 구멍 사이에서 발생하는 슬립토크와는 무관합니다. Set Screw 타입의 경우 체결력이 취약하오니, 키 방식 등을 활용바랍니다.)
표준 내경
| 제품 번호 | 표준 내경 (d1, d2) (mm) | ||||||||||||||||||
|---|---|---|---|---|---|---|---|---|---|---|---|---|---|---|---|---|---|---|---|
| 12 | 14 | 15 | 16 | 18 | 19 | 20 | 22 | 24 | 25 | 26 | 28 | 30 | 32 | 35 | 40 | 45 | 50 | 60 | |
| SJC-55 | ● | ● | ● | ● | ● | ● | ● | ● | ● | ● | ● | ● | |||||||
| SJC-65 | ● | ● | ● | ● | ● | ● | ● | ● | ● | ● | ● | ● | ● | ||||||
| SJC-80 | ● | ● | ● | ● | ● | ● | ● | ● | ● | ● | ● | ● | ● | ● | ● | ||||
| SJC-100 | ● | ● | ● | ● | ● | ● | ● | ● | ● | ● | ● | ● | ● | ||||||
- 사용 축의 공차는 h7을 추천합니다.
- 비 표준 내경 및 특수 공차 적용이 가능합니다. (별도의 문의를 해주십시오.)
- 키홈 추가 가공이 가능합니다.






