커플링

구동축의 동력과 모션을 종동축에 전달하는 동시에
비정렬(미스얼라인먼트) 및 기타 장비의 성능 저하요인(진동, 소음, 미세전류 등)을
흡수하는 동력전달 부품입니다.
SK Series
슈미트커플링 
- 제품개요
-
제품선정 기술자료

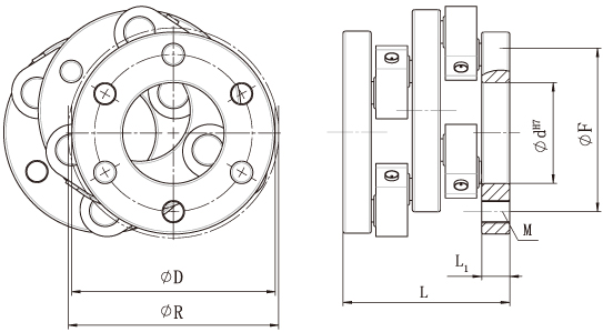
규격 및 성능
| SIZE | 성능 | CT kN·m/rad |
규격 | ||||||||||||||
|---|---|---|---|---|---|---|---|---|---|---|---|---|---|---|---|---|---|
| ΔKr min mm |
ΔKr mm |
ΔKv mm |
ΔKw ° |
TKN N·m |
TKmax N·m |
min-1 | D mm |
R mm |
J kg cm2 |
m kg |
L mm |
L1 mm |
F mm |
d mm |
M | ||
| SK 4.2.6/3 | 6 | 23 | 45 | 0.8 | 45 | 85 | 2,800 | 10 | 60 | 62 | 2.8 | 0.5 | 44 | 8 | 45 | 25 | 3xM6 |
| SK 4.2.8/5 | 0.5 | 110 | 210 | 1,800 | 24 | 82 | 84 | 8.9 | 0.8 | 67 | 40 | 5xM6 | |||||
| SK 4.5.6/3 | 13 | 50 | 95 | 0.8 | 45 | 85 | 1,900 | 10 | 60 | 62 | 3.1 | 0.6 | 45 | 25 | 3xM6 | ||
| SK 4.5.8/5 | 0.5 | 110 | 210 | 1,600 | 24 | 82 | 84 | 9.1 | 1.1 | 67 | 40 | 5xM6 | |||||
| SK 7.3.7/3 | 9 | 34 | 64 | 0.8 | 110 | 210 | 3,500 | 24 | 70 | 74 | 7.5 | 1.1 | 74 | 12.5 | 48 | 25 | 3xM10 |
| SK 7.3.9/3 | 0.8 | 150 | 290 | 3,100 | 33 | 90 | 94 | 21.5 | 1.7 | 70 | 45 | 3xM10 | |||||
| SK 7.7.9/3 | 17 | 66 | 126 | 0.8 | 150 | 290 | 2,200 | 33 | 90 | 94 | 24 | 1.9 | 70 | 45 | 3xM10 | ||
| SK 7.7.12/4 | 0.5 | 280 | 550 | 1,900 | 63 | 120 | 124 | 63 | 3 | 98 | 50 | 4xM10 | |||||
| SK 10.5.12/3 | 14 | 53 | 100 | 0.5 | 360 | 710 | 2,300 | 81 | 120 | 120 | 95 | 4.5 | 101 | 17 | 90 | 50 | 3xM12 |
| SK 10.5.12/4 | 0.5 | 480 | 945 | 2,300 | 108 | 120 | 120 | 105 | 5 | 90 | 50 | 4xM12 | |||||
| SK 10.9.12/3 | 22 | 85 | 162 | 0.5 | 360 | 710 | 1,700 | 81 | 120 | 120 | 107 | 5.1 | 90 | 50 | 3xM12 | ||
| SK 10.9.14/4 | 0.5 | 590 | 1,155 | 1,800 | 132 | 140 | 140 | 187 | 6.8 | 110 | 50 | 4xM12 | |||||
| SK 13.6.14/3 | 17 | 64 | 122 | 0.5 | 630 | 1,240 | 1,700 | 142 | 140 | 143 | 275 | 9.8 | 134 | 26 | 100 | 55 | 3xM16 |
| SK 13.6.16/4 | 0.5 | 1,010 | 1,980 | 1,600 | 227 | 158 | 164 | 475 | 13 | 120 | 60 | 4xM16 | |||||
| SK 13.9.14/3 | 22 | 85 | 162 | 0.5 | 630 | 1,240 | 1,500 | 142 | 140 | 143 | 285 | 10 | 100 | 55 | 3xM16 | ||
| SK 13.9.16/4 | 0.5 | 1,010 | 1,980 | 1,400 | 227 | 158 | 164 | 480 | 13.2 | 120 | 60 | 4xM16 | |||||
| SK 16.7.16/3 | 18 | 68 | 129 | 0.5 | 1,130 | 2,200 | 1,500 | 252 | 158 | 164 | 550 | 15 | 155 | 31 | 115 | 60 | 3xM16 |
| SK 16.7.18/4 | 0.5 | 1,760 | 3,440 | 1,400 | 395 | 180 | 184 | 680 | 17 | 135 | 70 | 4xM16 | |||||
| SK 16.10.16/3 | 25 | 95 | 180 | 0.5 | 1,130 | 2,200 | 1,200 | 252 | 158 | 164 | 585 | 16 | 115 | 60 | 3xM16 | ||
| SK 16.10.18/4 | 0.5 | 1,760 | 3,440 | 1,200 | 395 | 180 | 180 | 910 | 20 | 135 | 70 | 4xM16 | |||||
| SK 20.9.20/3 | 22 | 85 | 162 | 0.3 | 2,160 | 4,220 | 1,200 | 484 | 200 | 202 | 1,500 | 26 | 196 | 33 | 150 | 80 | 3xM20 |
| SK 20.9.25/4 | 0.3 | 3,830 | 7,500 | 1,000 | 860 | 250 | 252 | 3,700 | 41 | 200 | 100 | 4xM20 | |||||
| SK 20.15.20/3 | 37 | 142 | 270 | 0.3 | 2,160 | 4,220 | 900 | 484 | 200 | 202 | 1,850 | 32 | 150 | 80 | 3xM20 | ||
| SK 20.15.25/4 | 0.3 | 3,830 | 7,500 | 800 | 860 | 250 | 252 | 4,100 | 44 | 200 | 100 | 4xM20 | |||||
- TKN = 상용 토크, TKMAX = 최대 허용 토크, min-1 = 최대 회전 속도 △Kv = 커플링의 최대 직선 변위, △Kr = 최대 허용 편심, △Krmin = 작동을 위한 최소 편심
- △Kw = 최대 허용 편각 Ct = 비틀림 강성, J = 관성모멘트, m = 질량, L = 커플링의 길이, M = 볼트 사이즈와 개수, F = 볼트의 PCD
- 사이즈 SK 4.2.6/3 – SK 16.10.18/4 범위규격 제품의 축방향비정렬은 1mm까지 허용되며, SK 20.9.20/3 – SK 20.15.25/4 범위규격의 제품은 2mm까지 허용됩니다.






