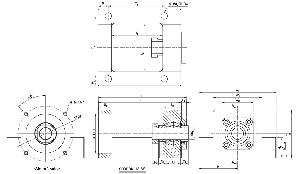
Support Unit For Ball screw

Support unit for ball screw helps to support each shaft-ends of
ball screw. We, S.I.M provides diverse options according to sizes,
loads and purposes for our customers’ best convenience.
Support Unit for Ball Screw (Index)
Motor Bracket Unit
Product Overview
- E-SBU-2D (.dwg)
- E-SBU-3D (.step)








