カップリング

駆動軸の動力とモーションを従動軸に伝達すると同時に非整列
(ミスアライメント)及びその他装備の性能低下要因
(振動、騒音、微細電流等)を吸収する動力伝達部品です。
SDシリーズ SDシリーズ(Index)を見る
ダブルディスクタイプカップリング_高強度アルミ合金本体
- 製品概要
-
規格/性能/CAD
クランプタイプ – 円筒型

規格及び性能 (一般型)
- 慣性モーメント及び質量は、各製品番号における最大内径時の値です。
- 許容トルクはカップリング自体の耐久性に影響する値です。(軸と内径穴の間で発生するスリップトルクとは関係ありません。)セットスクリュータイプの場合、締結力が弱いためキー溝方式のご使用をお勧めします。
- 80C、90C、100Cは、クランプ分離タイプ対応時、締結ボルトが2本の専用ハブを使用します。

規格及び性能 (遠距離連結用)
- 慣性モーメント及び質量は、各製品番号における最大内径時の値です。
- 非標準規格の遠距離用ディスクカップリングも注文製作可能です。
- 許容トルクはカップリング自体の耐久性に影響する値です。(軸と内径穴の間で発生するスリップトルクとは関係ありません。)セットスクリュータイプの場合、締結力が弱いためキー溝方式のご使用をお勧めします。
標準内径 (12C ~ 47C)
| 製品番号 | 標準内径 (d1, d2) (mm) | |||||||||||||||||||||
|---|---|---|---|---|---|---|---|---|---|---|---|---|---|---|---|---|---|---|---|---|---|---|
| 3 | 4 | 4.5 | 5 | 6 | 6.35 | 7 | 8 | 9 | 9.525 | 10 | 11 | 12 | 12.7 | 14 | 15 | 15.875 | 16 | 17 | 18 | 19 | 20 | |
| SD□□-12C | ● | ● | ●★ | |||||||||||||||||||
| SD□□-16C | ● | ● | ● | ● | ||||||||||||||||||
| SD□□-19C | ● | ● | ● | ● | ● | |||||||||||||||||
| SD□□-22C | ● | ● | ● | ● | ● | ● | ● | ● | ●★ | ●★ | ||||||||||||
| SD□□-26C | ● | ● | ● | ● | ● | ● | ● | ● | ● | ● | ||||||||||||
| SD□□-31C | ● | ● | ● | ● | ● | ● | ● | ● | ● | ● | ● | ●★ | ●★ | |||||||||
| SD□□-35C | ● | ● | ● | ● | ● | ● | ● | ● | ● | ● | ● | ● | ● | ●★ | ●★ | |||||||
| SD□□-39C | ● | ● | ● | ● | ● | ● | ● | ● | ● | ● | ● | ● | ● | ● | ● | |||||||
| SD□□-42C | ● | ● | ● | ● | ● | ● | ● | ● | ● | ● | ● | ● | ● | ● | ● | ●★ | ●★ | |||||
| SD□□-47C | ● | ● | ● | ● | ● | ● | ● | ● | ● | ● | ● | ● | ● | ● | ●★ | |||||||
標準内径 (54C ~ 100C)
| 製品番号 | 標準内径 (d1, d2) (mm) | ||||||||||||||||||||||
|---|---|---|---|---|---|---|---|---|---|---|---|---|---|---|---|---|---|---|---|---|---|---|---|
| 10 | 11 | 12 | 12.7 | 14 | 15 | 15.875 | 16 | 17 | 18 | 19 | 20 | 22 | 24 | 25 | 26 | 28 | 30 | 32 | 35 | 40 | 45 | 50 | |
| SD□□-54C | ● | ● | ● | ● | ● | ● | ● | ● | ● | ● | ● | ● | ● | ● | ●★ | ||||||||
| SD□□-64C | ● | ● | ● | ● | ● | ● | ● | ● | ● | ● | ● | ● | ●★ | ●★ | ●★ | ●★ | ●★ | ||||||
| SD□□-80C | ● | ● | ● | ● | ● | ● | ● | ● | ● | ● | ● | ● | ● | ● | ●★ | ||||||||
| SD□□-90C | ● | ● | ● | ● | ● | ● | ● | ● | ● | ● | ●★ | ||||||||||||
| SD□□-100C | ● | ● | ● | ● | ● | ● | ● | ● | ● | ● | ● | ●★ | |||||||||||
- 使用軸の公差はh7を推奨します。
- 非標準内径及び特殊公差の適用が可能です。(別途お問い合せ下さい。)- ※ 例外品目: SDWA-12C
- キー溝加工対応可能です。
- ★表示のある内径は、カップリング内の部品と干渉するため軸を貫通させられません。必ず軸をL1寸法まで挿入して使用して下さい。 軸貫通使用の可否は非整列(ミスアライメント)を考慮しておりません。
- 外径54以上の製品はクランプ分離が可能です。
軸スリップトルク
- 下記の表は該当カップリングの許容トルクより軸スリップトルクが小さい場合に、実際に伝達可能なトルク情報です。
- 軸スリップトルクがカップリングの許容トルクより小さい場合、実際に適用される使用トルク(モーター仕様及び負荷要確認)と軸スリップトルクを比較して下さい。使用トルクよりも軸スリップトルクが小さい場合は、一回り大きな製品もしくはキー溝品のご使用をお勧めします。
- 下記のスリップトルクは試験条件(軸の公差、粗度、表面処理、駆動軸の加減速等)によって差異が生じる場合があります。
また締結ボルトの材質又は表面処理により減少することがあるので、必ずご使用前に実際の使用条件と同一の条件下でテストされることを推奨します。
| 製品番号 | 許容トルク (N·m) |
内径別スリップトルク (N·m) | |||||||||||||||||
|---|---|---|---|---|---|---|---|---|---|---|---|---|---|---|---|---|---|---|---|
| 3 | 4 | 4.5 | 5 | 6 | 6.35 | 7 | 8 | 9 | 9.525 | 10 | 11 | 12 | 12.7 | 14 | 15 | 15.875 | 16 | ||
| SD□□-16C | 0.6 | 0.6 | |||||||||||||||||
| SD□□-19C | 0.9 | ||||||||||||||||||
| SD□□-22C | 1.2 | 1.1 | |||||||||||||||||
| SD□□-26C | 2.2 | 2 | 2 | ||||||||||||||||
| SD□□-31C | 4 | 3 | |||||||||||||||||
| SD□□-35C | 5 | 5 | |||||||||||||||||
| SD□□-39C | 6 | 5.5 | 6 | 6.5 | 7 | 9 | |||||||||||||
| SD□□-39C(3) | 9 | ||||||||||||||||||
| SD□□-42C | 8 | 4.5 | 6 | 8 | 10 | ||||||||||||||
| SD□□-42C(3) | 10 | ||||||||||||||||||
| SD□□-47C | 14 | 10 | 11 | 12 | |||||||||||||||
| 製品番号 | 許容トルク (N·m) |
内径別スリップトルク (N·m) | |||||||||||||||||||
|---|---|---|---|---|---|---|---|---|---|---|---|---|---|---|---|---|---|---|---|---|---|
| 10 | 11 | 12 | 12.7 | 14 | 15 | 16 | 18 | 19 | 20 | 22 | 24 | 25 | 28 | 30 | 32 | 35 | 40 | 45 | 50 | ||
| SD□□-54C | 25 | ||||||||||||||||||||
| SD□□-64C | 40 | ||||||||||||||||||||
| SD□□-80C | 85 | ||||||||||||||||||||
| SD□□-90C | 180 | 100 | 110 | 130 | 150 | ||||||||||||||||
| SD□□-100C | 250 | 136 | 140 | 144 | 152 | 180 | 185 | 192 | 216 | 230 | 240 | 250 | |||||||||
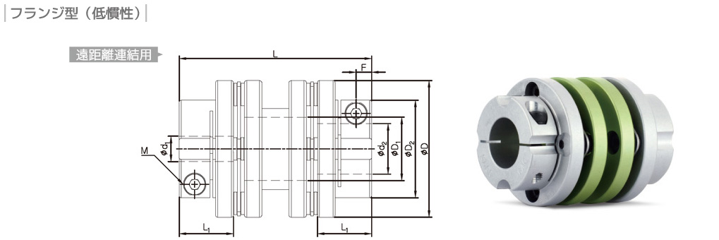
クランプタイプ – フランジ型(低慣性)

規格及び性能 (一般型)
- 慣性モーメント及び質量は、各製品番号における最大内径時の値です。
- 許容トルクはカップリング自体の耐久性に影響する値です。(軸と内径穴の間で発生するスリップトルクとは関係ありません。)セットスクリュータイプの場合、締結力が弱いためキー溝方式のご使用をお勧めします。
- 47C製品は、内径寸法が18mm以上の場合、D2寸法は*印の寸法となります。

規格及び性能 (遠距離連結用)
- 慣性モーメント及び質量は、各製品番号における最大内径時の値です。
- 非標準規格の遠距離用ディスクカップリングも注文製作可能です。
- 許容トルクはカップリング自体の耐久性に影響する値です。(軸と内径穴の間で発生するスリップトルクとは関係ありません。)セットスクリュータイプの場合、締結力が弱いためキー溝方式のご使用をお勧めします。
- 47C製品は、内径寸法が18mm以上の場合、D2寸法は*印の寸法となります。
標準内径
| 製品番号 | 標準内径 (d1, d2) (mm) | |||||||||||||||||||||
|---|---|---|---|---|---|---|---|---|---|---|---|---|---|---|---|---|---|---|---|---|---|---|
| 5 | 6 | 6.35 | 7 | 8 | 9 | 9.525 | 10 | 11 | 12 | 12.7 | 14 | 15 | 15.875 | 16 | 17 | 18 | 19 | 20 | 22 | 24 | 25 | |
| SD□□-35C | ● | ● | ● | ● | ● | ● | ● | ● | ||||||||||||||
| SD□□-42C | ● | ● | ● | ● | ● | ● | ● | ● | ● | ● | ● | ● | ||||||||||
| SD□□-47C | ● | ● | ● | ● | ● | ● | ● | ● | ● | ● | ● | ● | ● | ● | ||||||||
| SD□□-54C | ● | ● | ● | ● | ● | ● | ● | ● | ● | ● | ● | ● | ||||||||||
| SD□□-64C | ● | ● | ● | ● | ● | ● | ● | ● | ● | ● | ● | ● | ●★ | |||||||||
- 使用軸の公差はh7を推奨します。
- 非標準内径及び特殊公差の適用が可能です。(別途お問い合せ下さい。)
- キー溝加工対応可能です。
- ★表示のある内径は、カップリング内の部品と干渉するため軸を貫通させられません。必ず軸をL1寸法まで挿入して使用して下さい。軸貫通使用の可否は非整列(ミスアライメント)を考慮しておりません。
軸スリップトルク
- 下記の表は該当カップリングの許容トルクより軸スリップトルクが小さい場合に、実際に伝達可能なトルク情報です。
- 軸スリップトルクがカップリングの許容トルクより小さい場合、実際に適用される使用トルク(モーター仕様及び負荷要確認)と軸スリップトルクを比較して下さい。使用トルクよりも軸スリップトルクが小さい場合は、一回り大きな製品もしくはキー溝品のご使用をお勧めします。
- 下記のスリップトルクは試験条件(軸の公差、粗度、表面処理、駆動軸の加減速等)によって差異が生じる場合があります。
また締結ボルトの材質又は表面処理により減少することがあるので、必ずご使用前に実際の使用条件と同一の条件下でテストされることを推奨します。
| 製品番号 | 許容トルク (N·m) |
内径別スリップトルク (N·m) | |||||||||||||||||||
|---|---|---|---|---|---|---|---|---|---|---|---|---|---|---|---|---|---|---|---|---|---|
| 5 | 6 | 6.35 | 7 | 8 | 9 | 9.525 | 10 | 11 | 12 | 12.7 | 14 | 15 | 15.875 | 16 | 17 | 18 | 19 | 20 | 21 | ||
| SD□□-35C | 5 | 3.2 | 3.5 | 3.8 | |||||||||||||||||
| SD□□-42C | 8 | 3 | 3 | 3.5 | 4 | 6 | 7 | 9 | 9.5 | 10 | |||||||||||
| SD□□-42C(3) | 10 | ||||||||||||||||||||
| SD□□-47C | 14 | 10 | 11 | 12 | 14 | ||||||||||||||||
| SD□□-54C | 25 | ||||||||||||||||||||
| SD□□-64C | 40 | 36 | 37 | ||||||||||||||||||





