カップリング

駆動軸の動力とモーションを従動軸に伝達すると同時に非整列
(ミスアライメント)及びその他装備の性能低下要因
(振動、騒音、微細電流等)を吸収する動力伝達部品です。
SJCシリーズ SJCシリーズ(Index)を見る
ジョータイプカップリング 
クランプタイプ


規格及び性能
- 慣性モーメント及び質量は、各製品番号における最大内径時の値です。
- 周辺温度が30℃以上のときは温度補正係数で常用/最大トルク値を補正して下さい。
- 最大トルク/常用トルクはカップリング自体の耐久性に影響する値です。(軸と内径穴の間で発生するスリップトルクとは関係ありません。)
標準内径
| 製品 番号 |
標準内径 (d1, d2) (mm) | ||||||||||||||||
|---|---|---|---|---|---|---|---|---|---|---|---|---|---|---|---|---|---|
| 3 | 4 | 4.5 | 5 | 6 | 6.35 | 7 | 8 | 9 | 9.525 | 10 | 11 | 12 | 14 | 15 | 16 | 18 | |
| SJC□-14C | ● | ● | ● | ● | |||||||||||||
| SJC□-20C | ● | ● | ● | ● | ● | ● | ● | ||||||||||
| SJC□-25C | ● | ● | ● | ● | ● | ● | ● | ● | |||||||||
| SJC□-30C | ● | ● | ● | ● | ● | ● | ● | ● | ● | ● | |||||||
| SJC□-40C | ● | ● | ● | ● | ● | ● | ● | ● | ● | ● | |||||||
- 使用軸の公差はh7を推奨します。
- 非標準内径及び特殊公差の適用が可能です。(別途お問い合せ下さい。)
- キー溝加工対応可能です。
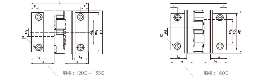
クランプタイプ



規格及び性能
- 慣性モーメント及び質量は、各製品番号における最大内径時の値です。
- 周辺温度が30℃以上のときは温度補正係数で常用/最大トルク値を補正して下さい。
- 最大トルク/常用トルクはカップリング自体の耐久性に影響する値です。(軸と内径穴の間で発生するスリップトルクとは関係ありません。)
標準内径
| 製品 番号 |
標準内径 (d1, d2) (mm) | |||||||||||||||||||||||
|---|---|---|---|---|---|---|---|---|---|---|---|---|---|---|---|---|---|---|---|---|---|---|---|---|
| 10 | 12 | 14 | 15 | 16 | 18 | 19 | 20 | 22 | 24 | 25 | 26 | 28 | 30 | 32 | 35 | 40 | 45 | 50 | 60 | 65 | 70 | 75 | 80 | |
| SJC-48C | ● | ● | ● | ● | ● | ● | ● | ● | ● | ● | ||||||||||||||
| SJC-55C | ● | ● | ● | ● | ● | ● | ● | ● | ● | ● | ● | ● | ||||||||||||
| SJC-65C | ● | ● | ● | ● | ● | ● | ● | ● | ● | ● | ● | ● | ● | |||||||||||
| SJC-80C | ● | ● | ● | ● | ● | ● | ● | ● | ● | ● | ● | ● | ● | ● | ● | |||||||||
| SJC-90C | ● | ● | ● | ● | ● | ● | ● | ● | ● | ● | ● | ● | ● | ● | ||||||||||
| SJC-100C | ● | ● | ● | ● | ● | ● | ● | ● | ● | ● | ● | ● | ● | |||||||||||
| SJC-120C | ● | ● | ● | ● | ● | ● | ● | |||||||||||||||||
| SJC-135C | ● | ● | ● | ● | ● | ● | ● | |||||||||||||||||
| SJC-160C | ● | ● | ● | ● | ● | ● | ● | ● | ||||||||||||||||
- 使用軸の公差はh7を推奨します。
- 非標準内径及び特殊公差の適用が可能です。(別途お問い合せ下さい。)
- キー溝加工対応可能です。
- クランプ分離が可能です。
軸スリップトルク
- 下記の表は該当カップリングの最大トルクより軸スリップトルクが小さい場合に、実際に伝達可能なトルク情報です。
- 軸スリップトルクがカップリングの最大トルクより小さい場合、実際に適用される使用トルク(モーター仕様及び負荷率要確認)と軸スリップトルクを比較して下さい。使用トルクよりも軸スリップトルクが小さい場合は、一回り大きな製品もしくはキー溝品のご使用をお勧めします。
- 下記のスリップトルクは試験条件(軸の公差、粗度、表面処理、駆動軸の加減速等)によって差異が生じる場合があります。
また締結ボルトの材質又は表面処理により減少することがあるので、必ずご使用前に実際の使用条件と同一の条件下でテストされることを推奨します。
| 製品 番号 |
最大トルク (N·m) RD基準 |
内径別スリップトルク (N·m) | ||||||||||||||||
|---|---|---|---|---|---|---|---|---|---|---|---|---|---|---|---|---|---|---|
| 3 | 4 | 4.5 | 5 | 6 | 6.35 | 7 | 8 | 9.525 | 10 | 11 | 12 | 14 | 15 | 16 | 18 | |||
| SJC□-14C | 4.8 | 0.6 | 0.8 | 0.9 | 1 | 1.2 | ||||||||||||
| SJC□-20C | 12 | 1 | 1.5 | 2.5 | 3 | 3 | 3.5 | 5 | ||||||||||
| SJC□-25C | 24 | 3.5 | 4 | 4.5 | 4.5 | 5 | 8 | 9 | ||||||||||
| SJC□-30C | 32 | 6 | 6.5 | 7 | 8 | 9.5 | 11 | 12 | 14 | 16 | ||||||||
| SJC□-40C | 42 | 22 | 25 | 28 | 30 | 32 | ||||||||||||
| 製品 番号 |
最大トルク (N·m) RD基準 |
内径別スリップトルク (N·m) | |||||||||||||||||||
|---|---|---|---|---|---|---|---|---|---|---|---|---|---|---|---|---|---|---|---|---|---|
| 10 | 12 | 14 | 15 | 16 | 18 | 19 | 20 | 22 | 24 | 25 | 26 | 28 | 30 | 32 | 35 | 40 | 45 | 50 | 60 | ||
| SJC-48C | 80 | 40 | 48 | 65 | 70 | 75 | |||||||||||||||
| SJC-55C | 150 | 50 | 60 | 65 | 70 | 75 | 80 | 90 | 100 | 110 | 120 | 130 | 140 | ||||||||
| SJC-65C | 360 | 80 | 85 | 90 | 100 | 120 | 150 | 160 | 170 | 170 | 180 | 190 | 200 | 250 | |||||||
| SJC-80C | 760 | 90 | 95 | 100 | 110 | 121 | 132 | 141 | 150 | 162 | 175 | 180 | 187 | 193 | 200 | 250 | |||||
| SJC-90C | 1000 | 140 | 176 | 208 | 230 | 240 | 245 | 250 | 250 | 265 | 300 | 320 | 360 | 370 | 460 | ||||||
| SJC-100C | 1200 | 300 | 330 | 350 | 390 | 390 | 400 | 410 | 420 | 430 | 450 | 470 | 490 | 550 | |||||||





