ボールねじ用サポートユニット

サポートユニットは、ボールねじの両軸端を精密に支持します。
(株)ソンイル機工は、規格別/荷重別/用途別に様々な製品を
提供することでお客様に貢献致します。
ボールねじ用サポートユニット(Index
高荷重用サポートユニット
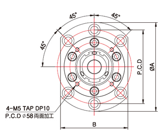
SWBKシリーズ (固定側) 



| SWBK-17,SWBK-20 | SWBK-25,SWBK-30 | SWBK-35,SWBK-40 | SWBK-50 | |
|---|---|---|---|---|
| TAP | 4-M5 TAP DP10 | 4-M6 TAP DP12 | 4-M6 TAP DP12 | – |
| PCD | 58 | 70 | 80 | – |








