Skip to content
Search for:
Configurator
Toggle Navigation
製品紹介
カップリング
コネクティング シャフト
セーフティー カップリング
タイミングプーリー
A.P. LOCK
ボールねじ用サ ポートユニット
NEW
新製品紹介
サイズの追加
技術資料
総合オンラインカタログ
セルフCAD図面作成ガイド
製品技術動画
有害物質規定遵守
設計変更履歴
会社概要
会社概要
会社沿革
任務、ビジョン、理念
受賞・認証
特許・知的財産権(IPRs)
CI
展示会
海外ネットワーク
アクセス
お客様センター
お知らせ
ニュース(主要情報)
お問い合わせ
Language
Korean
English
Chinese
Japanese
E-SBU シリーズ
Admin
2026-01-15T13:20:04+09:00
ボールねじ用サポートユニット
サポートユニットは、ボールねじの両軸端を精密に支持します。
(株)ソンイル機工は、規格別/荷重別/用途別に様々な製品を
提供することでお客様に貢献致します。
ボールねじ用サポートユニット(Index
サポートユニットの設置方法
カスタム仕様品の製作
ボールねじサポートユニット
一般荷重用サポートユニット
高荷重用サポートユニット
グリース注入型サポートユニット
その他F.A.部品
(ロックナット/ベアリングユニット)
ボールねじ用サ ポートユニット
構造 と ベアリング組合せ
C-SBU シリーズ
O-SBU シリーズ
E-SBU シリーズ
S-SBU シリーズ
Configurator
ベアリング組合せ及び使用ベアリング
EK シリーズ
EF シリーズ
BK シリーズ
BF シリーズ
AK シリーズ
AF シリーズ
FK シリーズ
FF シリーズ
CK シリーズ
CF シリーズ
WBK シリーズ
高荷重用サポートユニット
SWBKシリーズ
グリース注入型サポートユニット
BK-G シリーズ
FK-G シリーズ
SWBK-G シリーズ
Other F.A. Components
ロックナット
RN シリーズ(一般荷重用)
RNSS シリーズ(一般荷重用)
RNSB シリーズ(一般荷重用)
ZN シリーズ(一般荷重用)
HLRN シリーズ(一般荷重用)
ベアリングユニット
SBS シリーズ
SBD シリーズ
製品ラインナップを見る
モーターブラケットユニット
ボールねじ用サポートユニット& その他F.A.部品
モーターブラケットユニット
一般荷重用サポートユニット
高荷重用サポートユニット
グリース注入型サポートユニット
その他F.A.部品
製品ラインナップを見る
E-SBU シリーズ
C-SBU シリーズ
O-SBU シリーズ
E-SBU シリーズ
S-SBU シリーズ
モーターブラケットユニット
×
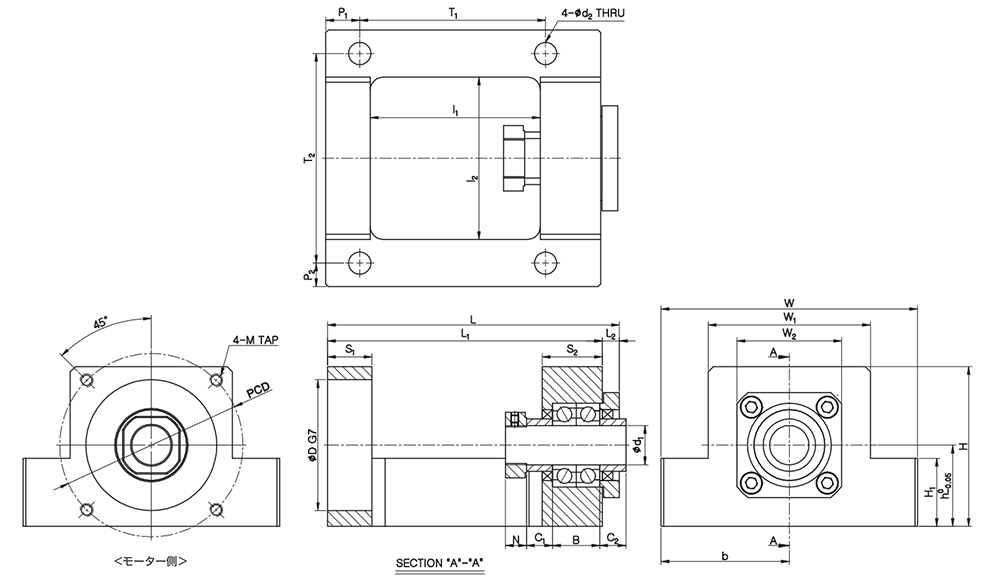
製品概要
構造 と ベアリング組合せ
モーターブラケットユニット別推奨カップリング
モーターブラケットユニット 注文方法
ボールねじ固定側軸端の推奨形状
E-SBU-2D (.dwg)
E-SBU-3D (.step)
E-SBU シリーズ
E-SBU(固定側/経済型)
規格情報
製品番号
CAD
主要寸法 (mm)
d
1
D
W
H
L
h
b
W
1
W
2
M
PCD
N
B
C
1
C
2
E-SBU-8.38.3
8
30
64
41
79.5
21
32
40
34
M3 DP8
45
6.5
14
5.5
7.5
E-SBU-8.40.4
8
30
64
41
79.5
21
32
40
34
M4 DP10
46
6.5
14
5.5
7.5
E-SBU-10.38.3
10
30
70
46
85.3
25
35
42
36
M3 DP8
45
8
16
5.5
5.5
E-SBU-10.40.4
10
30
70
46
85.3
25
35
42
36
M4 DP10
46
8
16
5.5
5.5
E-SBU-12.38.3
12
30
72
47
85.3
25
36
44
36
M3 DP8
45
8
16
5.5
5.5
E-SBU-12.40.4
12
30
72
47
85.3
25
36
44
36
M4 DP10
46
8
16
5.5
5.5
E-SBU-15.60.5
15
50
98
61
111.5
31
49
62
40
M5 DP13
70
8
18
10
10
製品番号
CAD
主要寸法 (mm)
d
2
P
1
P
2
T
1
T
2
H
1
L
1
L
2
I
1
I
2
S
1
S
2
E-SBU-8.38.3
5.5
10
6
47
52
19
73
6.5
42
40
12
19
E-SBU-8.40.4
5.5
10
6
47
52
19
73
6.5
42
40
12
19
E-SBU-10.38.3
6.5
10
7
54
56
23
79
6.3
44
42
14
21
E-SBU-10.40.4
6.5
10
7
54
56
23
79
6.3
44
42
14
21
E-SBU-12.38.3
6.5
10
7
54
58
23
79
6.3
44
44
14
21
E-SBU-12.40.4
6.5
10
7
54
58
23
79
6.3
44
44
14
21
E-SBU-15.60.5
8.5
13
9
71
80
26
105
6.5
65
62
17
23
Page load link
Go to Top