Shaft Coupling

Coupling is a core component that transmits power and motion
from the driving shaft to the driven part while absorbing misalignment
and any possible factors that could reduce efficiency of machines
(e.g. vibration, noise, electric current, etc.)
SJC Series Go to SJC Series(Index)
Jaw Coupling 
- Product Overview
-
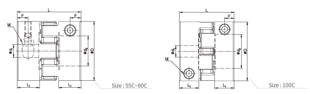
Dimensions / Performance / CAD
Side-clamp (Spacer-saving)


Dimensions / Performance
- The Moment of Inertia and Mass values are based on products with max. Inner diameter.
- Please modify rated/max. torque value with temperature correction factor when it’s higher than 30ºC.
- Max. torque/rated torque is the value regarding to a coupling’s self-durability and is not related to slip-torque between the coupling bore and the shaft.
Standard Inner Diameter (ID)
| Model | Standard Inner Diameter (d1, d2) (mm) | ||||||||||||||||||
|---|---|---|---|---|---|---|---|---|---|---|---|---|---|---|---|---|---|---|---|
| 12 | 14 | 15 | 16 | 18 | 19 | 20 | 22 | 24 | 25 | 26 | 28 | 30 | 32 | 35 | 40 | 45 | 50 | 60 | |
| SJCM-55C | ● | ● | ● | ● | ● | ● | ● | ● | ● | ● | ● | ● | |||||||
| SJCM-65C | ● | ● | ● | ● | ● | ● | ● | ● | ● | ● | ● | ● | ● | ||||||
| SJCM-80C | ● | ● | ● | ● | ● | ● | ● | ● | ● | ● | ● | ● | ● | ● | ● | ||||
| SJCM-100C | ● | ● | ● | ● | ● | ● | ● | ● | ● | ● | ● | ● | ● | ||||||
- The recommended shaft tolerance is h7.
- Custom process (e.g. non-standard Inner diameter, special tolerance etc.) is also available upon a special request in prior to order placement.
- Keyway is available. (Optional)
- Side-clamp Hub Split is NOT available
Slip Torque
- The below table shows the actual permissible torque values when the slip torque value is lower than the coupling’s max. torque value.
- If the slip torque value is lower than the coupling’s max. torque value, please check and compare between the slip torque in the below table and the operating torque value of the connected motor. It is safer to size up the coupling or use a key/keyway when the slip torque value is lower than the motor’s operating torque.
- The below slip torque values may be subject to change according to different testing conditions. (e.g. shaft tolerance, surface roughness, surface treatment or acceleration/deceleration of driving shafts). On the other hand, the values could be affected when a different kind of fastening screw is used (body material or surface treatment). Therefore, we recommend you test under the same conditions before mounting.
| Model | Max. Torque (N·m) RD Sleeve |
Slip Torque (N·m) by Inner Diameter (d1, d2) | ||||||||||||||||||
|---|---|---|---|---|---|---|---|---|---|---|---|---|---|---|---|---|---|---|---|---|
| 12 | 14 | 15 | 16 | 18 | 19 | 20 | 22 | 24 | 25 | 26 | 28 | 30 | 32 | 35 | 40 | 45 | 50 | 60 | ||
| SJCM-55C | 150 | 40 | 55 | 65 | 75 | 95 | 100 | 110 | 120 | 120 | 120 | 120 | 120 | |||||||
| SJCM-65C | 360 | 55 | 60 | 70 | 75 | 80 | 85 | 94 | 98 | 103 | 110 | 118 | 125 | 130 | ||||||
| SJCM-80C | 760 | 90 | 100 | 110 | 118 | 125 | 130 | 150 | 155 | 160 | 175 | 185 | 200 | 220 | 250 | 280 | ||||
| SJCM-100C | 1200 | 200 | 230 | 260 | 290 | 320 | 360 | 390 | 410 | 435 | 450 | 460 | 480 | 550 | ||||||






