볼스크류용 서포트유니트

서포트유니트는 볼스크류 양 축단을 정밀하게 지지해 주는
역할을 합니다. ㈜성일기공은 규격별/하중별/용도별로
다양한 제품을 공급함으로써 고객들에게 높은 편의성을 제공합니다.

일반 하중용 서포트유니트

  • BK,BF-2D (.dwg)
  • BK,BF-3D (.step)
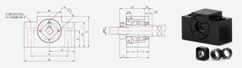
BK Series (고정측)
BK-6 ~ BK-8
BK-10 ~ BK-40
규격 정보
제품 번호 CAD 주요 치수(mm) 질량
(g)
본체 칼라
d1 L L1 L2 L3 B H b±0.02 h±0.02 B1 H1 E P C1 C2 d2 X Y Z □T L4 L5
BK-6 6 23 5 24 4 52 32 26 17 25 26 38 6.6 11 6 12 5 5 230
BK-8 8 23 7 26 4 52 32 26 17 25 26 38 6.6 11 6 14 5.5 7.5 230
BK-10 10 25 5 29 5 60 39 30 22 34 32.5 15 46 13 6 5.5 6.6 10.8 5 16 5 5 360
BK-12 12 25 5 29 5 60 43 30 25 34 35 18 46 13 6 5.5 6.6 10.8 6 19 5 5 390
BK-15 15 27 6 32 6 70 48 35 28 40 38 18 54 15 6 5.5 6.6 11 6 22 6 6 530
BK-17 17 35 9 44 7 86 64 43 39 50 55 28 68 19 8 6.6 9 14 8.5 24 7 7 1270
BK-20 20 35 8 43 8 88 60 44 34 52 50 22 70 19 8 6.6 9 14 8.5 30 8 8 1650
BK-25 25 42 12 54 9 106 80 53 48 64 70 33 85 22 10 9 11 17.5 11 35 9 9 2310
BK-30 30 45 14 61 9 128 89 64 51 76 78 33 102 23 11 11 14 20 13 40 9 9 3330
BK-35 35 50 14 67 12 140 96 70 52 88 79 35 114 26 12 11 14 20 13 50 12 12 4380
BK-40 40 61 18 76 15 160 110 80 60 100 90 37 130 33 14 14 18 26 17.5 50 15 15 6670