볼스크류용 서포트유니트

서포트유니트는 볼스크류 양 축단을 정밀하게 지지해 주는
역할을 합니다. ㈜성일기공은 규격별/하중별/용도별로
다양한 제품을 공급함으로써 고객들에게 높은 편의성을 제공합니다.

모터브라켓 유니트

  • E-SBU-2D (.dwg)
  • E-SBU-3D (.step)
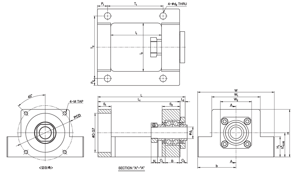
E-SBU Series
E-SBU (고정측/경제형)
규격 정보
품명 CAD 주요 치수 (mm) 구매링크
d1 D W H L h b W1 W2 M PCD N B C1 C2
E-SBU-4.25.2.5 P5 / P0-C7 4 20 34 29 55.5 15.5 17 M2.5 DP7 28 5 8/10 4.5/3.5 4.5/3.5
E-SBU-5.25.2.5 P5 / P0-C7 5 20 34 29 55.5 15.5 17 M2.5 DP7 28 5 8/10 4.5/4.5 5.5/4.5
E-SBU-6.25.2.5 6 20 38 29 63.5 15.5 19 M2.5 DP7 28 5 12 7 5
E-SBU-8.38.3 8 30 64 41 79.5 21 32 40 34 M3 DP8 45 6.5 14 5.5 7.5 naver store
E-SBU-8.40.4 8 30 64 41 79.5 21 32 40 34 M4 DP10 46 6.5 14 5.5 7.5 naver store
E-SBU-10.38.3 10 30 70 46 85.3 25 35 42 36 M3 DP8 45 8 16 5.5 5.5 naver store
E-SBU-10.40.4 10 30 70 46 85.3 25 35 42 36 M4 DP10 46 8 16 5.5 5.5 naver store
E-SBU-12.38.3 12 30 72 47 85.3 25 36 44 36 M3 DP8 45 8 16 5.5 5.5 naver store
E-SBU-12.40.4 12 30 72 47 85.3 25 36 44 36 M4 DP10 46 8 16 5.5 5.5 naver store
E-SBU-15.60.5 15 50 98 61 111.5 31 49 62 40 M5 DP13 70 8 18 10 10 naver store
제품 번호 CAD 주요 치수 (mm) 구매링크
d2 P1 P2 T1 T2 H1 L1 L2 I1 I2 S1 S2
E-SBU-4.25.2.5 P5 / P0-C7 4.5 13.5 3.75 22.5 26.5 55.5 30.5 18 9.5 15.5
E-SBU-5.25.2.5 P5 / P0-C7 4.5 13.5 3.75 22.5 26.5 55.5 30.5 18 9.5 15.5
E-SBU-6.25.2.5 4.5 13 4 26.5 30 63.5 34.5 21 9 20
E-SBU-8.38.3 5.5 10 6 47 52 19 73 6.5 42 40 12 19 naver store
E-SBU-8.40.4 5.5 10 6 47 52 19 73 6.5 42 40 12 19 naver store
E-SBU-10.38.3 6.5 10 7 54 56 23 79 6.3 44 42 14 21 naver store
E-SBU-10.40.4 6.5 10 7 54 56 23 79 6.3 44 42 14 21 naver store
E-SBU-12.38.3 6.5 10 7 54 58 23 79 6.3 44 44 14 21 naver store
E-SBU-12.40.4 6.5 10 7 54 58 23 79 6.3 44 44 14 21 naver store
E-SBU-15.60.5 8.5 13 9 71 80 26 105 6.5 65 62 17 23 naver store