볼스크류용 서포트유니트

서포트유니트는 볼스크류 양 축단을 정밀하게 지지해 주는
역할을 합니다. ㈜성일기공은 규격별/하중별/용도별로
다양한 제품을 공급함으로써 고객들에게 높은 편의성을 제공합니다.

모터브라켓 유니트

  • S-SBU-2D (.dwg)
  • S-SBU-3D (.step)
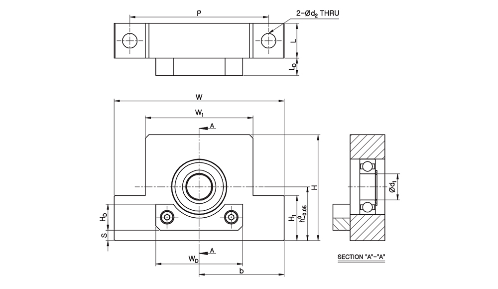
S-SBU Series
S-SBU (지지측)
규격 정보
제품 번호 CAD 주요 치수 (mm) 구매링크
본체 댐퍼(옵션)
d1 W H L h b W1 H1 d2 P WD HD LD S
S-SBU-4.20/25 4 34 26 10 15.5 17 18 10 4.5 26 16 6 8 3
S-SBU-5.20/25 5 34 26 10 15.5 17 18 10 4.5 26 16 6 8 3
S-SBU-6.20/25 6 38 28 12 15.5 19 22 10 4.5 30 20 7 8 0.5
S-SBU-6.28 6 43 31 12 18.5 21.5 25 12 4.5 34 20 7 8 3.5
S-SBU-8.38/40 6 64 41 14 21 32 40 19 5.5 52 32 10 10 7.5 naver store
S-SBU-10.38/40 8 70 46 20 25 35 42 23 6.5 56 34 10 10 9 naver store
S-SBU-12.38/40 10 72 47 20 25 36 44 23 6.5 58 46 12 10 6 naver store
S-SBU-12.60 10 98 61 20 31 49 62 26 8.5 80 46 12 10 11.5 naver store
S-SBU-15.60 15 98 61 20 31 49 62 26 8.5 80 50 15 10 6 naver store
S-SBU-15.80 15 128 82 20 41 64 82 36 10.5 106 50 15 10 16 naver store
S-SBU-20.60 20 116 70 26 35 58 70 30 10.5 94 60 19 10 6 naver store
S-SBU-20.80 20 128 82 26 41 64 82 36 10.5 106 60 19 10 12 naver store