볼스크류용 서포트유니트

서포트유니트는 볼스크류 양 축단을 정밀하게 지지해 주는
역할을 합니다. ㈜성일기공은 규격별/하중별/용도별로
다양한 제품을 공급함으로써 고객들에게 높은 편의성을 제공합니다.

모터브라켓 유니트

  • O-SBU-2D (.dwg)
  • O-SBU-3D (.step)
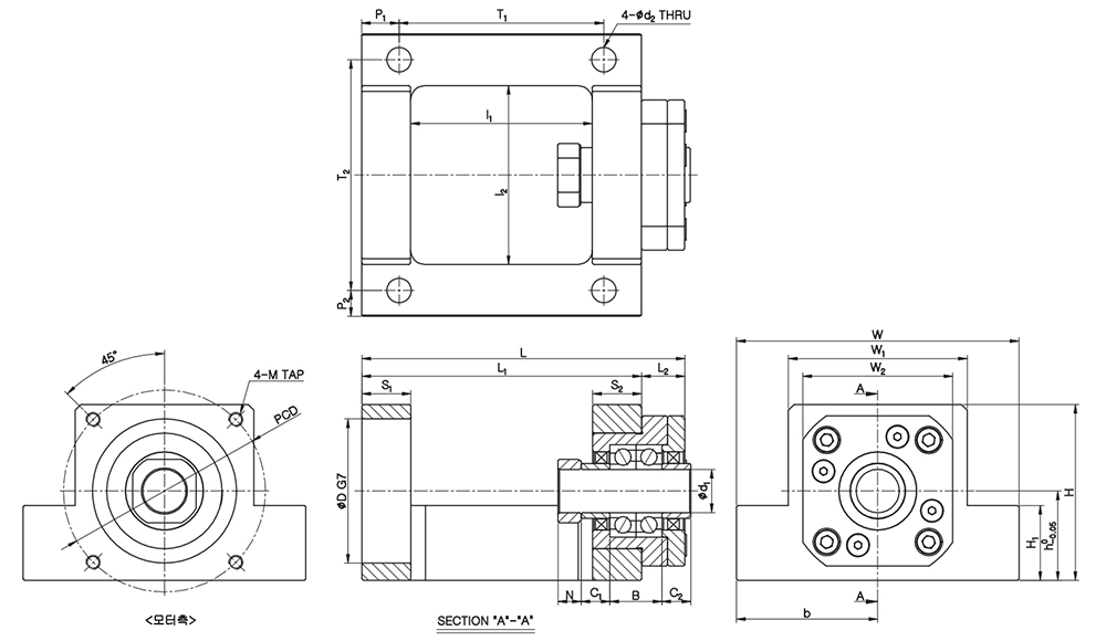
O-SBU Series
O-SBU (고정측/오픈형)
규격 정보
품명 CAD 주요 치수 (mm) 구매링크
d1 D W H L h b W1 W2 M PCD N B C1 C2
O-SBU-8.38.3 8 30 64 41 76 21 32 40 35 M3 DP8 45 6.5 14 7.5 5.5 naver store
O-SBU-8.40.4 8 30 64 41 76 21 32 40 35 M4 DP10 46 6.5 14 7.5 5.5 naver store
O-SBU-10.38.3 10 30 70 46 84 25 35 42 42 M3 DP8 45 8 16 5.5 5.5 naver store
O-SBU-10.40.4 10 30 70 46 84 25 35 42 42 M4 DP10 46 8 16 5.5 5.5 naver store
O-SBU-12.38.3 12 30 72 47 84 25 36 44 44 M3 DP8 45 8 16 5.5 5.5 naver store
O-SBU-12.40.4 12 30 72 47 84 25 36 44 44 M4 DP10 46 8 16 5.5 5.5 naver store
O-SBU-15.60.5 15 50 98 61 112 31 49 62 52 M5 DP13 70 8 18 10 10 naver store
O-SBU-20.80.6 20 70 128 82 149 41 64 82 68 M6 DP15 90 11 28 11 11 naver store
품명 CAD 주요 치수 (mm) 구매링크
d2 P1 P2 T1 T2 H1 L1 L2 I1 I2 S1 S2
O-SBU-8.38.3 5.5 10 6 47 52 19 67 9 43 40 12 12 naver store
O-SBU-8.40.4 5.5 10 6 47 52 19 67 9 43 40 12 12 naver store
O-SBU-10.38.3 6.5 10 7 54 56 23 74 10 46 42 14 14 naver store
O-SBU-10.40.4 6.5 10 7 54 56 23 74 10 46 42 14 14 naver store
O-SBU-12.38.3 6.5 10 7 54 58 23 74 10 46 44 14 14 naver store
O-SBU-12.40.4 6.5 10 7 54 58 23 74 10 46 44 14 14 naver store
O-SBU-15.60.5 8.5 13 9 71 80 26 97 15 63 62 17 17 naver store
O-SBU-20.80.6 10.5 20 11 87 106 36 127 22 79 82 24 24 naver store