볼스크류용 서포트유니트

서포트유니트는 볼스크류 양 축단을 정밀하게 지지해 주는
역할을 합니다. ㈜성일기공은 규격별/하중별/용도별로
다양한 제품을 공급함으로써 고객들에게 높은 편의성을 제공합니다.
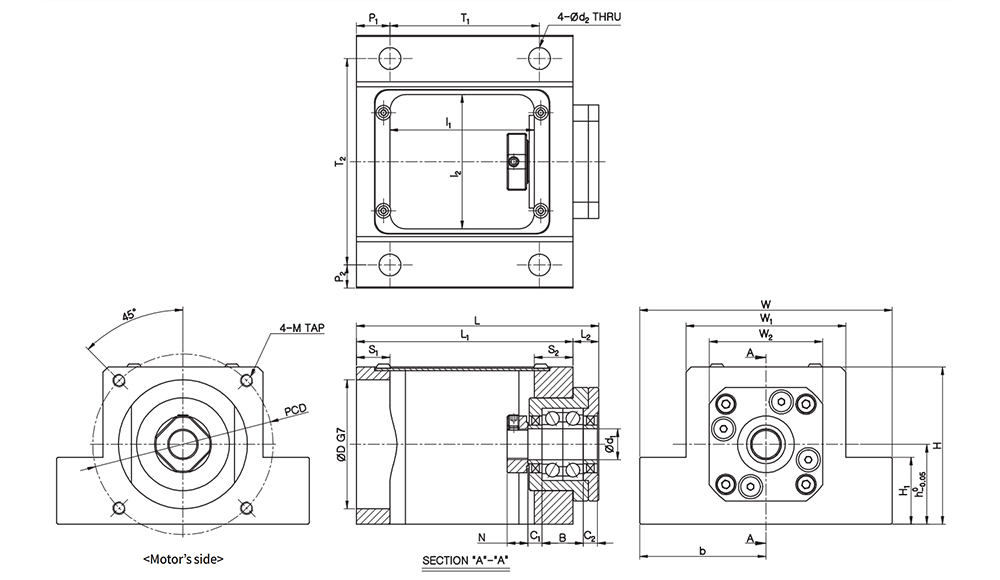
모터브라켓 유니트
규격 정보
※ 모터플랜지 38,40각에 대응하는 제품은 LOCK NUT 체결용 지그가 함께 제공됩니다. NUT 체결 시 지그를 사용하여 체결해 주십시오. 자세한 사항은 체결방법 안내 영상을 참조하시거나, 고객센터로 문의 바랍니다.

서포트유니트는 볼스크류 양 축단을 정밀하게 지지해 주는
역할을 합니다. ㈜성일기공은 규격별/하중별/용도별로
다양한 제품을 공급함으로써 고객들에게 높은 편의성을 제공합니다.

※ 모터플랜지 38,40각에 대응하는 제품은 LOCK NUT 체결용 지그가 함께 제공됩니다. NUT 체결 시 지그를 사용하여 체결해 주십시오. 자세한 사항은 체결방법 안내 영상을 참조하시거나, 고객센터로 문의 바랍니다.