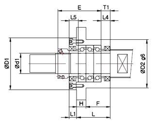
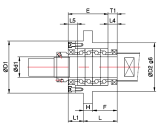
볼스크류용 서포트유니트

서포트유니트는 볼스크류 양 축단을 정밀하게 지지해 주는
역할을 합니다. ㈜성일기공은 규격별/하중별/용도별로
다양한 제품을 공급함으로써 고객들에게 높은 편의성을 제공합니다.
고 하중용 서포트유니트
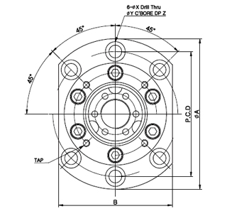
SWBK Series (고정측) 



| SWBK-17,SWBK-20 | SWBK-25,SWBK-30 | SWBK-35,SWBK-40 | SWBK-50 | |
|---|---|---|---|---|
| TAP | 4-M5 TAP DP10 | 4-M6 TAP DP12 | 4-M6 TAP DP12 | – |
| PCD | 58 | 70 | 80 | – |









